扫一扫,手机浏览
收藏产品
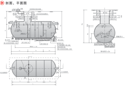
抗腐蚀,经久耐用
| 产品型号: | CL-2000 |
|---|---|
| 品牌: | 辰龙润东 |
| 产品型号: | CL-2000 |
|---|---|
| 品牌: | 辰龙润东 |
抗腐蚀氧化,多用于制药、化工、农药、电厂等行业,欢迎垂电:18033865640